Quiksep pilot automatic chromatography system is specially designed for the purification and preparation of biological samples such as protein and antibody in pilot scale. It is suitable for the purification process development and sample preparation of biological products such as protein, vaccine, blood products, monoclonal antibody, polysaccharide and natural products.
Quiksep pilot automatic chromatography system has high degree of automation, can carry out intensive programming method exploration, powerful software function, hardware support multi-channel solvents, samples and chromatography columns. The system adopts modular, functional and intelligent design, which is convenient for customers to choose the most suitable purification system according to their actual needs.

Quiksep pilot system has the following advantages:
*Stackable pipeline design to achieve the minimum dead volume of pipeline;
*User customization realizes flexible configuration and easy upgrade of users;
*The self-developed control software conforms to FDA specifications, with real-time data and log records, traceable and non modifiable;
*Flexible method editing function, automatic process production based on time, volume and column volume;
*Can automatically save temporary editing methods;
*It can realize automatic sample loading and automatic judgment, and automatically switch to elution mode after sample loading;
*Stable and reliable data acquisition and management function, real-time record and storage, no loss of power-off data, traceable original records;
*Material conforming to USP class VI, stainless steel shell, protection class IP65;
*Comply with other requirements in urs, and verify the complete fat and DQ / IQ documents.
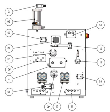
2. System structure layout


3. software design
1)Reasonable and intuitive software operation interface
The software of the chromatography system conforms to the new GMP standard. It adopts graphical interface and full-automatic operation. It is concise and concise. Any operation and status can be displayed in the status bar of the main interface in real time, with a high degree of automation. Combined with a large number of fault-tolerant design, combined with the actual production, reduced the technical requirements of R & D personnel.
2)Concise and powerful method editing and automatic control function
It can realize automatic collection according to UV, conductivity value, etc.; it can save temporary editing method automatically; it can run automatic process based on time, volume and column volume; it adopts block method to edit, which makes the method have the function of jump, interrupt and nesting. With strong watch instruction, it can realize many functions, including automatic sample loading, automatic collection and bubble detection Automatic switching and other functions.

3)Scoring function
Scoring, that is, exploring function, is to edit some parameters in the method into variables, and then run the same method multiple times through scoring setting, each time only automatically modifying one or some parameters in the method, so as to realize automatic optimization of parameters, such as finding the most suitable flow rate, finding the most suitable column height, etc.
The scouting function only needs to set variables and times of Scouting. It can not only realize repeated operation of the method, fully automatic process optimization, but also realize automatic preparation of multiple eluents, and realize the maximum intelligence of the instrument.

4)Stable and reliable data acquisition and management functions
Collect process data and record logs in real time. Data will not be lost even after power failure. All data will be saved to the same file for easy migration and backup. It is also very convenient to view data. Curves, logs, operation information, etc. are clear at a glance. It can also directly generate PDF reports, compare curves of different batches in history, and conduct automatic column efficiency analysis.

4.Main components
1) plunger pump
A. the contact part with the liquid medicine shall be made of sanitary material, which has good compatibility with biological samples such as protein, and is resistant to strong acid, alkali and salt;
B. It is not only resistant to high pressure, but also has good stability under low temperature and low pressure, and has excellent infusion accuracy;
C. the pump head has a self flushing function to avoid the separation of salts in the pump head during the purification of biological samples, resulting in damage and pollution of the instrument;
D. to provide excellent gradient accuracy and repeatability for the protein chromatography system and to ensure the reproducibility of the purification results, the electronic pressure pulsation compensation measures were adopted.

2)detector
A. UV detector adopts imported devices, single wavelength or variable dual wavelength, to ensure good accuracy and stability.
B. the pressure sensor adopts international famous brand, with high precision, which can provide perfect protection for the packing and system pump.
C. pH / conductivity adopts international famous brand, which can carry out temperature compensation and online calibration.
3)valve
A. adopt multi-channel solenoid valve of famous brand, with minimum dead volume design.
B. modular design of valve head and drive part, standard hand tight joint to fix pipeline, easy to maintain.


An antibody manufacturer in Hubei Province

An antibody manufacturer in Jiangsu Province